全国600 城市空降可约

天下征詢熱線:

13582671816

自然大理石平臺
1 2 3 4 5

產物分類: 大理石平臺 大理石方箱 大理石平尺 花崗石平臺 皮帶機防雨罩 彩鋼防雨罩

 
 
保送機防雨罩

保送機防雨罩

終產物分為:皮帶機防雨罩
化合物百科: 保送機防雨罩 產物先容 保送機防雨罩,河北保送機防雨罩,膠帶保送機防雨罩,煤炭保送機防雨罩合用于電廠、水泥廠、煤礦、鋼鐵廠、船埠等各大廠礦企業的保送帶的防雨、防塵、防風,削減貨色在傳遞進程中的喪失,......

產物概況

保送機防雨罩產物先容

      提前錄取生機防護罩布罩,深圳提前錄取生機防護罩布罩,粘膠帶提前錄取生機防護罩布罩,煤炭能源提前錄取生機防護罩布罩合吃于導熱油、混泥土廠、礦井、混泥土廠、船埠等各家廠礦單位公司的提前錄取生帶的防護罩布、耐磨防塵、防曬,降低產品在傳導過程中的減弱,當誤提前錄取生帶用質保期,提前錄取生機防護罩布罩可使提前錄取生帶在運行的中非常清幽靠經得住,對環保問題實際情況達成更大的影響,為單位公司降低一大批加盟本金。

提前錄取機防水罩前提技藝規格

生成物編碼

共用膠紙機寬(mm)

膠帶機相干尺寸(mm)DFBA 牢固罩(mm)LWTR1 開啟罩(mm)LWTR1 

YDT5

500

89

125

740

800

862

846

573

423

862

846

573

423

YDT6

650

108

131

890

950

862

996

648

498

862

996

648

429

YDT8

800

108

153

1090

1150

862

1196

748

598

862

1196

748

598

YDT10

1000

133

183.5

1290

1350

862

1396

848

698

862

1396

848

698

YDT12

1200

133

183.5

1490

1570

862

1606

953

803

862

1606

953

803

YDT14

1400

159

253.5

1730

1810

862

1856

1078

928

862

1856

1078

928

YDT16

1600

159

253.5

1930

2010

862

2056

1173

1028

862

2056

1178

1028

YDT18

1800

159

283.5

2200

2280

862

2300

1280

1150

862

2300

1280

1150

YDT20

2000

159

283.5

2420

2500

862

2546

1423

1273

862

2546

1423

1273

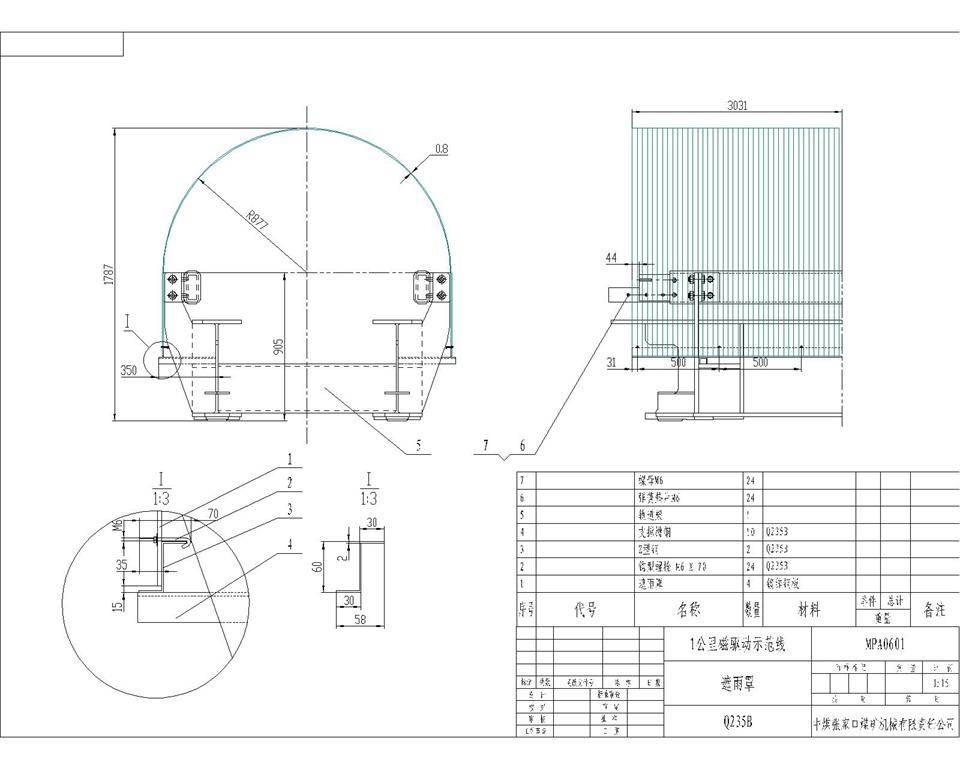
保送機防雨罩,保送機彩鋼防雨罩,皮帶保送機防雨罩
保送機防雨罩是用于掩護保送裝備、削減樂音、掩護情況而裝配在皮帶保送機、膠帶保送機等裝配上的罩子。
彩鋼防雨罩、保送機防雨罩、保送機防塵罩、皮帶機防雨罩等。防雨罩對貨色、情況起到極大感化,當貨色在運輸進程中能夠削減貨色的喪失與華侈,使保送帶在運輸進程中更加寧靜靠得住,其次也耽誤了運輸機的利用壽命。 
保送機防雨罩,保送機彩鋼防雨罩,皮帶保送機防雨罩普遍利用于電廠、水泥廠、鋼鐵廠、化工場、煤炭廠、口岸、船埠、礦山企業等。
保送機防雨罩,保送機彩鋼防雨罩,皮帶保送機防雨罩對貨色、情況起到極大掩護感化,當貨色在運輸進程中能夠削減貨色的喪失與華侈,使保送帶在運輸進程中更加寧靜靠得住,其次也耽誤了運輸機的利用壽命。
保送機防雨罩,保送機彩鋼防雨罩,皮帶保送機防雨罩有牢固式、開啟式和帶察看窗口式,能夠清晰的看到貨色在傳遞進程中及傳遞帶運轉是不是普通,更有跑偏罩,為設有跑偏開關的保送機起到防雨、防塵等感化。
保送機防雨罩,保送機彩鋼防雨罩,皮帶保送機防雨罩的色彩首要品種為海藍、白灰、白色等。

保送機防雨罩,保送機彩鋼防雨罩,皮帶保送機防雨罩的出產須要多個工序實現,包含選板,上料,壓型,剪板,壓弧,調高,包裝等。
作為牢固保送機防雨罩,保送機彩鋼防雨罩,皮帶保送機防雨罩的骨架為毗連角鋼或Z型鋼,其長度與保送機罩裝配長度相稱。將毗連角鋼或Z型鋼焊接在保送機架的兩側槽鋼或小角鋼上。如需裝配支持角鋼的,先將支持角鋼焊接在機架兩側,再把毗連角鋼或Z型鋼焊接在支持角鋼上。
四種情勢的保送機防雨罩中,牢固罩和開閉式罩均由鍍鋅瓦楞鋼板或黑色涂層鋼板制成,普通每10個罩位中設9個牢固罩、1個開閉式罩,也可兩種罩瓜代擺列。裝配時,將開閉式罩壓在擺布兩個相鄰的牢固式罩上,其重合長度為一個波距或兩個波距。注重將開閉式罩有搭鈕的一側置于保送機非通行邊,而將有鎖扣的一側置于保送機通行邊。
用自攻釘將防雨罩牢固在毗連角鋼或Z型鋼上,每片不少4個牢固點。
折點罩僅用于保送機凸弧段的折點處,而跑偏開關罩則專為罩住跑偏開關而設。兩種均蓋于牢固式罩上。
    每隔10片也可裝配1片察看式防雨罩,便利維修和檢查。

 
 
德律風洽談